4套经济实用型农村二层小洋楼自建房设计图,简单但好看
4套经济实用型农村二层小洋楼自建房设计图,简单但好看
对于在城里买房的农村朋友想要在农村老家盖新房子,一般都会选择经济实用且不难看的户型。预算有限,不想在农村自建房投入太多,追求性价比,下面小编分享几款适合农村自建的小洋楼,经济实用型,而且非常的好看,一起来看看吧~

别墅立面色彩鲜明,错层三角形屋顶搭配小圆窗和弧形阳台是这栋房子的亮点,简单好看。
面宽:12.0米 进深:10.00米 占地面积:120平方米 总建筑面积:217.2平方米
建筑结构:砖混结构 造价预算:18-25万

一层:堂屋、客厅、餐厅、厨房、老人房、卫生间

二层:家庭厅、棋牌室、3卧室、书房、阳台、露台、卫生间
02

开间:9.4米 进深:10.8米 占地面积:103.47平方米 总建筑面积:206.95平方米
建筑结构:砖混结构 主体预算:18-20万

两间农村二层小别墅设计图,文化石和真石漆的外墙,时尚美观。左侧窗户上有遮雨屋面,实用又能起到装饰的效果。老人房和主卧均带有独立卫生间,性价比高。

一层:客厅、餐厅、厨房、卧室(带内卫)、公共卫生间

二层:大卧室(带阳台)、主卧(带内卫)、2次卧、公共卫生间
03

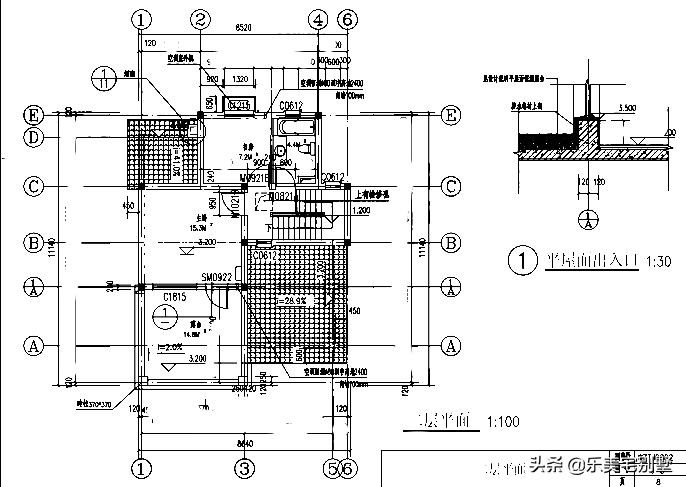
编号: B167 层数: 二层 结构形式: 砖混结构 主体造价: 18-22万
开间: 11米 进深: 12米 占地面积: 134.56平方米 总建筑面积:252.05平方米

该户型为大露台平屋顶设计,简单的造型搭配铁艺栏杆、拱形窗户,阳台等设计,就能给人一种清爽别致的设计感,室内布局侧重功能流畅性,还设有娱棋牌室供住户日常休闲娱乐,还有卧室套间,人性化设计。

一层:玄关、客厅、厨房、餐厅、棋牌室、卧室(带内卫)、杂物间、卫生间

二层:休息厅(带阳台)、卧室(带内卫、书房)、卧室(带内卫)、卧室(带衣帽间、书房、内卫)
04

编号: zcB32 层数: 二层 结构形式: 砖混结构 主体造价: 10-15万
开间: 8.64米 进深: 11.14米 占地面积: 75.1平方米 建筑面积: 119.7平方米

本户型带大露台,视野开阔,采光通风效果佳,适合一家人居住。

一 层: 客厅、卧室、厨房、餐厅、杂物间、储藏间、卫生间

二 层: 主卧(附露台)、书房、卫生间
-
- 二本和一本的区别是什么?
-
2025-09-04 20:47:22
-
- K435次列车由武昌至惠州,过长沙、广州北等
-
2025-09-04 20:45:07
-
- 云龙山庙会
-
2025-09-04 20:42:51
-
- 用哪吒、Deepseek点燃新学期梦想 泰安英雄山中学开学典礼为学生鼓劲
-
2025-09-04 20:40:32
-
- 盐城各区县财政收入:大丰区接近东台市,建湖县第5,响水县最后
-
2025-09-04 20:38:13
-
- 气象台:不会有较强降雨 要预防风力影响!科普:什么是台风眼?
-
2025-09-04 20:35:58
-
- 女人都过了50岁了,为啥还出轨?
-
2025-09-04 20:33:43
-
- 美国和英国宣布禁止销售华为手机的真相揭秘
-
2025-09-04 20:31:28
-
- 刘亦菲绝美短发造型太惊艳!大家说神仙姐姐留短发好看吗?
-
2025-09-04 20:29:13
-
- 巴沙尔阿萨德总统夫妇今天上午在雨中游览了中国著名的灵隐寺。
-
2025-09-04 20:26:58
-
- Angelababy香港活动晚宴生图,与任达华妻子合影,连换两套高定
-
2025-09-04 20:24:42
-
- 一个40岁女人自述:外遇和出轨的经历,留下深刻的教训
-
2025-09-04 20:22:26
-
- 时尚中分发型推荐 简气质女神单塑造
-
2025-09-04 20:20:10
-
- 摩根大通强制全员返岗,要求员工一周上五天班,超千人联名抗议
-
2025-09-04 20:17:56
-
- 率土之滨战法之争尤为重要,何太后拆解用处大,获取何太后也简单
-
2025-09-04 20:15:39
-
- 经典K线战法——搓揉线,主力洗盘的信号!
-
2025-09-04 20:13:23
-
- 揭秘马航MH370!五大谜团终于被解密!
-
2025-09-04 20:11:07
-
- 河南科技大学应用工程学院值得报考吗?
-
2025-09-04 20:08:52
-
- 被美帝制裁,为啥华为中兴被“强制执行”,小米腾讯能“和解”?
-
2025-09-04 20:06:36
-
- 12台跨年晚会“卷”出新高度!
-
2025-09-04 20:04:20



推荐三本超级好看的穿越小说、破敌国,平内乱,领骑军,战四方
lol文森特宣布离开战旗,又一家直播平台不行了?